- 泰兴减速机
- KFRS系列
- 软齿面减速机
- 中硬齿面减速机
- 硬齿面减速机
- 行星减速机
- 摆线针轮减速机
- 电动滚筒
- H/B工业齿轮箱
- 三环减速机
- 非标减速机设计制造
- 三菱产品
- 搅拌机
- 变频器/伺服
- 搅拌桨
- 搅拌机架
- 三相异步电动机
- 联轴器
- 精密行星减速机
- 蜗轮蜗杆减速机
- WP系列蜗轮蜗杆减速机
- 平面包络环面蜗杆减速机
- 平面二次包络环面蜗杆减速机
- SWL系列蜗轮丝杆升降机
- 星轮减速机系列
- 特殊齿轮减速机
- 其他系列减速机
- 重载型减速机
- SSX弧齿锥齿轮行星减速器
- 搅拌器
联系我们
全国咨询电话: 400-710-9918
座机:0523-85533118
传真:0523-85591838
手机/微信号:13961848999
邮箱:1051532995@qq.com
地址:江苏泰州市泰兴市姚王镇泰姚北路18号
座机:0523-85533118
传真:0523-85591838
手机/微信号:13961848999
邮箱:1051532995@qq.com
地址:江苏泰州市泰兴市姚王镇泰姚北路18号
产品中心 / 减速传动
TPB模块化行星减速机

产品简介:
技术服务:18068252099
售后服务:18115399879
服务监督:13961848999
以上号码都是微信号
一次合作,终生朋友,
欢迎全国各地的朋友过来指导工作,我公司必定热情招待。
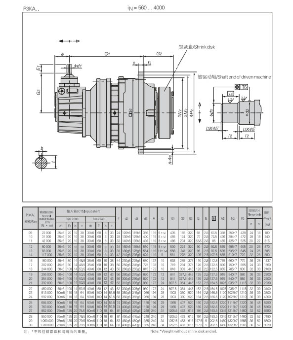
TPB模块化行星齿轮减速机,泰兴五星减速机2000多种常规型号均有货,可以当天发货,如果不满意可以完全退货。

















下一页:NGW-QJ型行星减速机
![]() |
同类推荐








